ADS Dental Systems - Self-contained Dental Simulation System - # A124002

ADS Dental Systems - Self-contained Dental Simulation System - # A124002
ADS Dental Systems - Self-contained Dental Simulation System - # A124002 ADS Dental Systems - Self-contained Dental Simulation System - # A124002
SKU: 486197 - Ordered from Manufacturer - ETD
$7,377.00
$4,795.05
You save: $2,581.95 ( 35% )
Quantity:

Minimum quantity is 1.

Manufacturer #
A124002
Manufacturer
ETD

Earn up to 5,035 rewards points with this product!

Join today and start earning rewards points and unlock exclusive savings with US Dental Depot's Customer Loyalty Rewards Program

SmileRewards Club

Description

Self-contained Dental Simulation System
PRODUCT DESCRIPTION
STANDARD FEATURES: Self-contained Dental Simulation System:
■ Three axis rotation phantom head
■ 1.5L Build-in Water Supply System
■ 1.5L Build-in waste Collecting System
■ Round Foot Control
■ 1 doctor syringe, 1 SE, 1 HP tube
■ 2 assistant HP tube
■ Post mount Dental light with sensor control
Self-contained Dental Simulation System VIDEO:
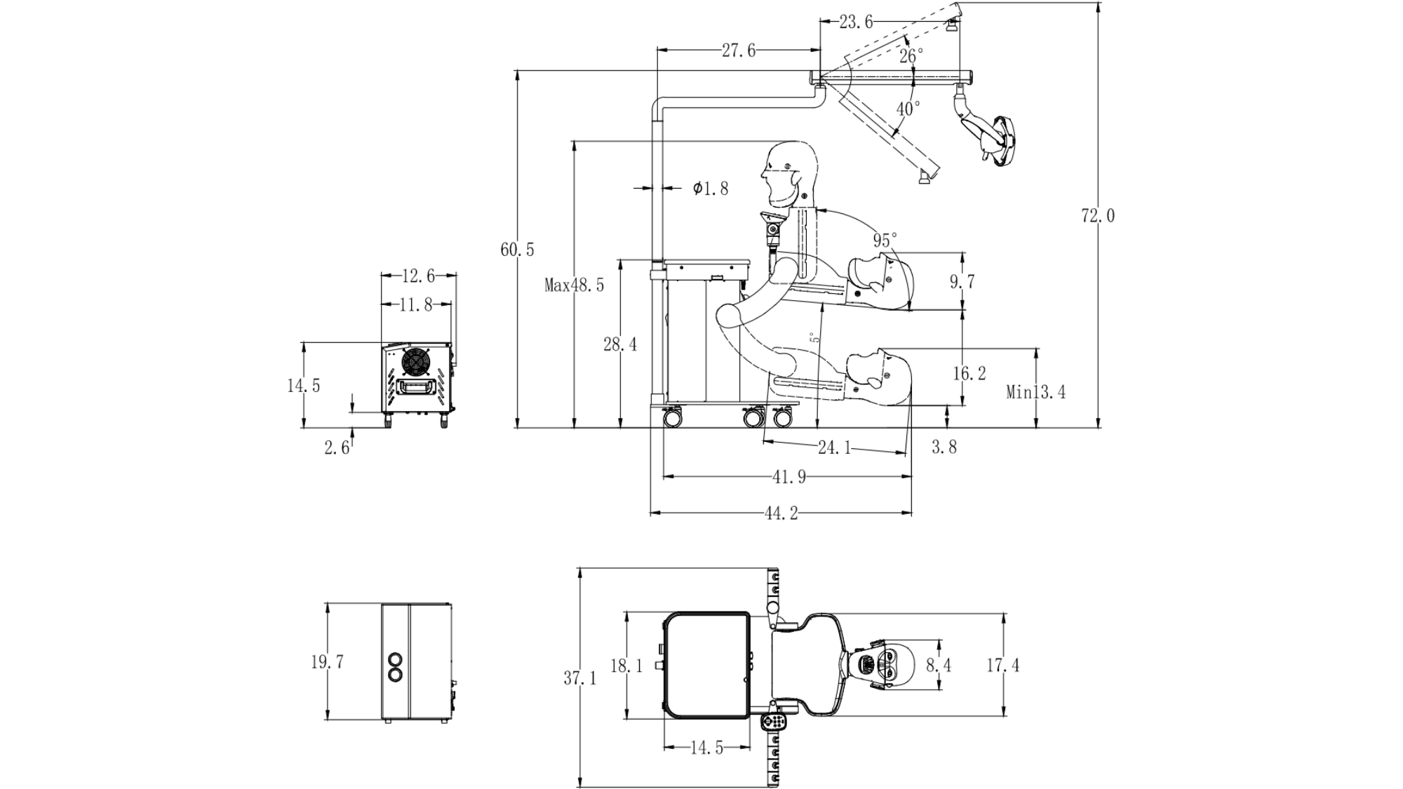
DIMENSIONS (UNIT: INCHES)
DOWNLOADS

Attachments

Related Products