ADS Dental Systems - Classic201 Delivery System - # A0712011

ADS Dental Systems - Classic201 Delivery System - # A0712011
ADS Dental Systems - Classic201 Delivery System - # A0712011 ADS Dental Systems - Classic201 Delivery System - # A0712011 ADS Dental Systems - Classic201 Delivery System - # A0712011
SKU: 486110 - Ordered from Manufacturer - ETD
$6,670.00
$4,335.50
You save: $2,334.50 ( 35% )
Quantity:

Minimum quantity is 1.

Manufacturer #
A0712011
Manufacturer
SubModel
Classic 201
Features
Delivery system
ETD

Earn up to 4,552 rewards points with this product!

Join today and start earning rewards points and unlock exclusive savings with US Dental Depot's Customer Loyalty Rewards Program

SmileRewards Club

Description

CLASSIC 201
Left/Right Swing Delivery System
PRODUCT DESCRIPTION
STANDARD FEATURES: CLASSIC 201 LEFT/RIGHT SWING Delivery System:
■ Classic Swing mount Dentist's Control
■ Swing Classic dentist's control head with 3 auto H.P. control
■ Individual water coolant controls
■ Master handpiece air coolant adjustment
■ Asepsis handpiece tubing
■ Master on/off switch
1 DOCTOR SYRINGE & WET/DRY FOOT CONTROL:
■ Stainless steel tray with non-slip pad
■ City/bottled watersysterm, 5 ft umbilical
■ Junction box with air/water filters, regulators
■ Master shut-off valves
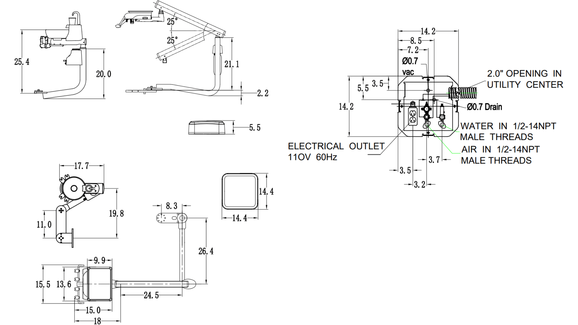
CLASSIC 201 LEFT/RIGHT SWING Delivery System
DIMENSIONS (UNIT: INCHES)
DOWNLOADS

Related Products