ADS Dental Systems - AJ12 Hygiene Packages Hygiene Packages - # A9122051

ADS Dental Systems - AJ12 Hygiene Packages Hygiene Packages - # A9122051
ADS Dental Systems - AJ12 Hygiene Packages Hygiene Packages - # A9122051
SKU: 486152 - Ordered from Manufacturer - ETD
$10,852.00
$7,053.80
You save: $3,798.20 ( 35% )
Quantity:

Minimum quantity is 1.

Manufacturer #
A9122051
Manufacturer
Model
AJ12
SubModel
Hygiene
Features
Hygiene
Features
Packages
ETD

Earn up to 7,406 rewards points with this product!

Join today and start earning rewards points and unlock exclusive savings with US Dental Depot's Customer Loyalty Rewards Program

SmileRewards Club

Description

AJ12 Hygiene Operatory Package
Swing operatory package with Hygiene delivery system
PRODUCT DESCRIPTION
STANDARD FEATURES: AJ12 ELECTROMECHANICAL CHAIR:
3 programmable positions
■ Articulating headrest, Vertical forward-turning armrest
Steel backrest stand, Steel base plate
Chair safety switch Wide backrest, Upgraded fiber leather
One touchpad, Foot control
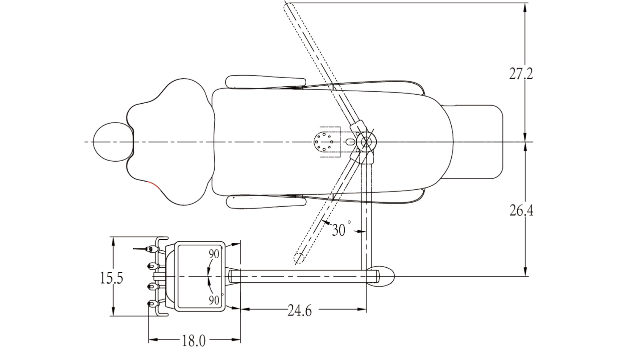
SWING Hygiene DENTIST'S CONTROL HEAD WITH 2 AUTO H.P. CONTROL:
Individual water coolant controls
Master handpiece air coolant adjustment
Asepsis handpiece tubing
MASTER ON/OFF SWITCH, 1 DOCTOR SYRINGE & WET/DRY FOOT CONTROL:
Stainless steel tray with non-slip pad, Flex arm air brake switch
Solids collector 1HVE, 1SE, 1 scaler
City/bottled water system, 5 ft umbilical
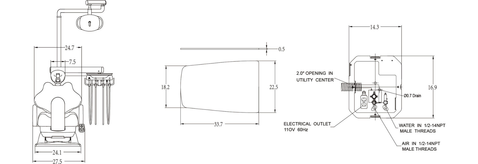
SWING MOUNT LED LIGHT:
With sensor control
3 level intensity adjustment
PACKAGE INCLUDES
A091201

A0502527


A0603600


A11204
A J 1 2 EL Chair
Electricmechnical patient chair with 3 programmable postions and fiber leather
Swing Hygiene delivery system
Swing Hygiene delivery system with 2 auto HP control, bottled water system,
1HVE, 1SE, 1syringe, 1 scaler
Swing mount Whale LED light
Swing mount touchless sensor Whale LED Dental Light with 24" light post
and swing compass arm
Chair Adapter D
COLOR SELECTION
ACCESSORIES OPTION
AJ12 Hygiene OPERATORY PACKAGE
DIMENSIONS (UNIT: INCH)
PACKING DIMENSIONS (L*W*H)
Chair
Upholstery
Swing classic Hygiene delivery system
Dental Light

47.6* 30.5*31.3"
50.4*25* 8.9"
30.7*19.5*12"
31.1*18.1*7.1"
WEIGHT
326 lbs
27.3 lbs
50.6 lbs
22.6 lbs
DOWNLOADS

Related Products